仕様
| カラー | アイボリー |
|---|---|
| 材質 | 変性ポリフェニレンエーテル |
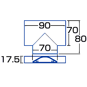
| サイズ | W90×D80×H17.5mm |
| 対応ケーブルカバー | CA-R70 |
特長
- ケーブルをT型に配線します。
※両面テープは付属していません。 - 足をかける危険を予防し、運搬用台車がスムーズに通過できるように高さを抑えました。
- カバー内の無駄な空間を無くし、すっきりとした形状です。
- 重量物の往来にも安心して使える、高強度で耐衝撃性に優れた構造です。
ラインアップ
製品導入のご相談・お問い合わせ
※検証機貸出は動作検証を目的としており、レンタルサービスではございません お問い合わせはこちら 製品導入に関するお問い合わせ以外は
【お問い合わせ窓口一覧】よりお問い合わせください。









































































































































































































































































































































































































お問い合わせ
Q&A(よくある質問)
カタログ・資料送付請求
メルマガ購読・解除
実験サポート展示場
法人向け特集


ドライバ・ソフト
取扱・組立説明書
画像データベース
導入事例・提案チラシ




































